V-RINGS

Anelli di tenuta in gomma realizzati in un singolo pezzo fino a 2.100 mm, e giuntati per diamerti maggiori. Esercitano una tenuta frontale e sono ideali per proteggere da sporco, polvere o acqua. Utilizzabili come tenuta secondaria a protezione di un altro anello di tenuta. Il V-Ring é una tenuta di facile utilizzo e montaggio in quanto autoritenente sull’albero, che non necessita di particolare grado di finitura e tolleranza. L’area di contatto può presentare una rugosità variabile da Ra 0.5 a Ra 1.6, a seconda della velocità e del contaminante da ritenere. Può essere utilizzato senza ausilio di bandella metallica fino a velocità periferica di 10/12 m/sec. Bandella di metallo montata su richiesta.
Vedi tutti gli articoli
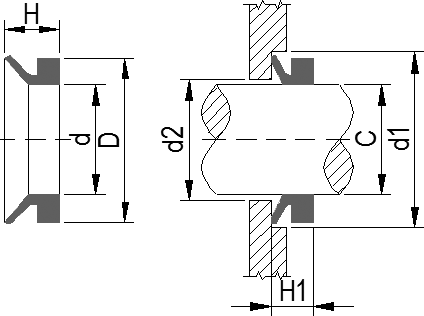
V-Ring standard con sezione proporzionale al diametro dell’albero. IMPIEGO: Tenuta Frontale Ø ESTERNO: Gomma COSTRUZIONE: Tenuta frontale in tutta gomma
Vedi gli articoli
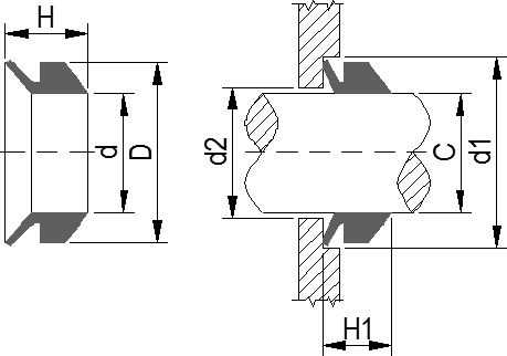
V-Ring con profilo maggiorato per una perfetta aderenza, e sezione proporzionale al diametro dell’albero. IMPIEGO: Tenuta Frontale Ø ESTERNO: Gomma COSTRUZIONE: Tenuta frontale in tutta gomma
Vedi gli articoli
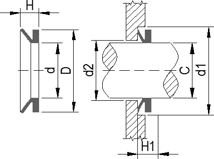
V-Ring con sezione ridotta per permetterne l’utilizzo in spazi ridotti. Sezione di dimensioni fisse. IMPIEGO: Tenuta Frontale Ø ESTERNO: Gomma COSTRUZIONE: Tenuta frontale in tutta gomma
Vedi gli articoli
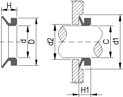
V-Ring con labbro di tenuta a profilo speciale per una maggiore elasticità. Sezione di dimensioni fisse. IMPIEGO: Tenuta Frontale Ø ESTERNO: Gomma COSTRUZIONE: Tenuta frontale in tutta gomma
Vedi gli articoli